
產品說明
桿端軸承分為嵌入式給油型及無給油型兩種,均為自動調心球面滑動軸承,能同時承受高徑向負荷及兩個方向之軸向負荷。給油型為嵌入之球面內輪於銅合金襯套表面滑動,與外表經鍍鋅之主體組合而成,且主體有油嘴可進行重潤於球面表面來完成給油。
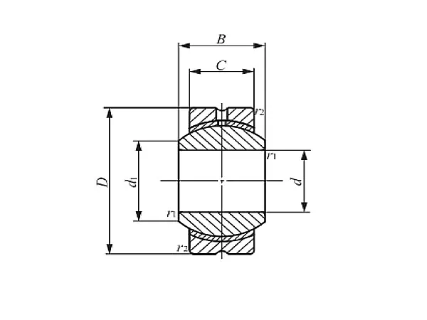
左右滑動看表格
左右滑動看表格| PB | mm | N | g | |||||||
| 型號 | 內徑d | 外徑D | 厚度B | 厚度C | d1 | 倒角r | 球面直徑 | 動額定負荷Cd | 靜額定負荷Cs | 重量 |
| PB 5 | 5 | 16 | 8 | 6 | 7.7 | 0.2 | 11.112 | 3 270 | 7 850 | 8.5 |
| PB 6 | 6 | 18 | 9 | 6.75 | 9 | 0.2 | 12.7 | 4 200 | 10 100 | 13 |
| PB 8 | 8 | 22 | 12 | 9 | 10 | 0.2 | 15.875 | 7 010 | 16 800 | 24 |
| PB 10 | 10 | 26 | 14 | 10.5 | 13 | 0.2 | 19.05 | 9 810 | 23 500 | 39 |
| PB 12 | 12 | 30 | 16 | 12 | 15 | 0.2 | 22.225 | 13 100 | 31 400 | 58 |
| PB 14 | 14 | 34 | 19 | 13.5 | 17 | 0.3 | 25.4 | 16 800 | 40 400 | 84 |
| PB 16 | 16 | 38 | 21 | 15 | 19 | 0.3 | 28.575 | 21 000 | 50 400 | 111 |
| PB 18 | 18 | 42 | 23 | 16.5 | 22 | 0.3 | 31.75 | 25 700 | 61 600 | 160 |
| PB 20 | 20 | 46 | 25 | 18 | 24 | 0.3 | 34.925 | 30 800 | 74 000 | 210 |
| PB 22 | 22 | 50 | 28 | 20 | 26 | 0.3 | 38.1 | 37 400 | 89 700 | 265 |
| PB 25 | 25 | 56 | 31 | 22 | 30 | 0.6 | 42.862 | 46 200 | 111 000 | 390 |
| PB 28 | 28 | 62 | 35 | 25 | 32 | 0.6 | 47.625 | 58 400 | 140 000 | 410 |
| PB 30 | 30 | 66 | 37 | 25 | 35 | 0.6 | 50.8 | 62 300 | 149 000 | 610 |
聯絡我們
