

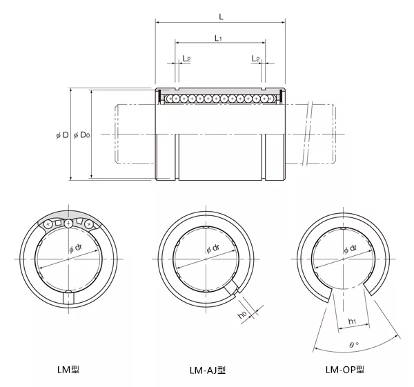
型號 | 滾珠 | 主要尺寸 | 偏心(最大) | 徑向 | 基本額定荷重 | 重量 | |||||||||||||||||
標準型 | 間隙調整型 | 開放型 | 列數 | 內接圓徑 | 外徑 | 長度 | L1 | 容許公差 | L2 | D0 | h0 | h1 | θ° | μm | 間隙 | C | C0 | g | |||||
dr | 容許公差 | D | 容許公差 | L | 容許公差 | 高級 | 精密級 | 容許值 | N | N | |||||||||||||
高級 | 精密級 | 高級、精密級 | μm | ||||||||||||||||||||
LM 3 | - | - | 4 | 3 | 0 | 0 | 7 | 0 | 10 | 0 | - | - | - | - | - | - | - | 8 | 4 | -2 | 88.2 | 108 | 1.6 |
LM 4 | - | - | 4 | 4 | -0.008 | -0.005 | 8 | -0.009 | 12 | -0.12 | - | - | - | - | - | - | - | 8 | 4 | -3 | 88.2 | 127 | 2.2 |
LM 5 | - | - | 4 | 5 | 10 | 15 | 10.2 | 0 | 1.1 | 9.6 | - | - | - | 8 | 4 | -3 | 167 | 206 | 4 | ||||
LM 6 | LM 6-AJ | - | 4 | 6 | 0 | 0 | 12 | 0 | 19 | 0 | 13.5 | -0.2 | 1.1 | 11.5 | 1 | - | - | 12 | 8 | -5 | 206 | 265 | 8 |
LM 8S | LM 8S-AJ | - | 4 | 8 | -0.009 | -0.006 | 15 | -0.011 | 17 | -0.2 | 11.5 | 1.1 | 14.3 | 1 | - | - | 12 | 8 | -5 | 176 | 225 | 9.3 | |
LM 8 | LM 8-AJ | - | 4 | 8 | 15 | 24 | 17.5 | 1.1 | 14.3 | 1 | - | - | 12 | 8 | -5 | 265 | 402 | 13.5 | |||||
LM 10 | LM 10-AJ | - | 4 | 10 | 19 | 0 | 29 | 22 | 1.3 | 18 | 1 | - | - | 12 | 8 | -5 | 373 | 549 | 25 | ||||
LM 12 | LM 12-AJ | - | 4 | 12 | 21 | -0.013 | 30 | 23 | 1.3 | 20 | 1.5 | - | - | 12 | 8 | -5 | 412 | 598 | 28 | ||||
LM 13 | LM 13-AJ | LM 13-OP | 4 | 13 | 23 | 32 | 23 | 1.3 | 22 | 1.5 | 9 | 80 | 12 | 8 | -7 | 510 | 775 | 38 | |||||
LM 16 | LM 16-AJ | LM 16-OP | 5 | 16 | 28 | 37 | 26.5 | 1.6 | 27 | 1.5 | 11 | 60 | 12 | 8 | -7 | 775 | 1,180 | 78 | |||||
LM 20 | LM 20-AJ | LM 20-OP | 5 | 20 | 0 | 0 | 32 | 0 | 42 | 30.5 | 1.6 | 30.5 | 1.5 | 11 | 60 | 15 | 10 | -9 | 863 | 1,370 | 86 | ||
LM 25 | LM 25-AJ | LM 25-OP | 6 | 25 | -0.01 | -0.007 | 40 | -0.016 | 59 | 0 | 41 | 0 | 1.85 | 38 | 2 | 12 | 50 | 15 | 10 | -9 | 980 | 1,570 | 210 |
LM 30 | LM 30-AJ | LM 30-OP | 6 | 30 | 45 | 64 | -0.3 | 44.5 | -0.3 | 1.85 | 43 | 2.5 | 15 | 50 | 15 | 10 | -9 | 1,570 | 2,750 | 221 | |||
LM 35 | LM 35-AJ | LM 35-OP | 6 | 35 | 0 | 0 | 52 | 0 | 70 | 49.5 | 2.1 | 49 | 2.5 | 17 | 50 | 20 | 12 | -13 | 1,670 | 3,140 | 358 | ||
LM 40 | LM 40-AJ | LM 40-OP | 6 | 40 | -0.012 | -0.008 | 60 | -0.019 | 80 | 60.5 | 2.1 | 57 | 3 | 20 | 50 | 20 | 12 | -13 | 2,160 | 4,020 | 557 | ||
LM 50 | LM 50-AJ | LM 50-OP | 6 | 50 | 80 | 0 | 100 | 74 | 2.6 | 76.5 | 3 | 25 | 50 | 20 | 12 | -13 | 3,820 | 7,940 | 1,418 | ||||
LM 60 | LM 60-AJ | LM 60-OP | 6 | 60 | 0 | 0 | 90 | -0.022 | 110 | 85 | 3.15 | 86.5 | 3 | 30 | 50 | 25 | 17 | -16 | 4,710 | 10,000 | 1,733 | ||
-0.015 | -0.009 |