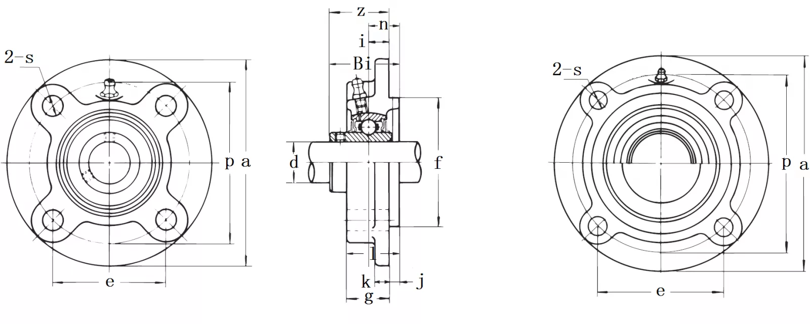
左右滑動看表格|
型號
|
主要規格 | 重點尺寸 | |||||||||||||
| 軸心直徑 | a | p | e | i | l | s | j | k | g | f | z | Bi | n | 螺絲尺寸 | |
| UCFC-201 | 12 | 100 | 78 | 55.1 | 10 | 25.5 | 12 | 5 | 7 | 20.5 | 62 | 28.3 | 31 | 12.7 | M10 |
| UCFC-202 | 15 | 100 | 78 | 55.1 | 10 | 25.5 | 12 | 5 | 7 | 20.5 | 62 | 28.3 | 31 | 12.7 | M10 |
| UCFC-203 | 17 | 100 | 78 | 55.1 | 10 | 25.5 | 12 | 5 | 7 | 20.5 | 62 | 28.3 | 31 | 12.7 | M10 |
| UCFC-204 | 20 | 100 | 78 | 55.1 | 10 | 25.5 | 12 | 5 | 7 | 20.5 | 62 | 28.3 | 31 | 12.7 | M10 |
| UCFC-205 | 25 | 115 | 90 | 63.6 | 10 | 27 | 12 | 6 | 7 | 21 | 70 | 29.7 | 34 | 14.3 | M10 |
| UCFC-206 | 30 | 125 | 100 | 70.7 | 10 | 31 | 12 | 8 | 8 | 23 | 80 | 32.2 | 38.1 | 15.9 | M10 |
| UCFC-207 | 35 | 135 | 110 | 77.8 | 11 | 34 | 14 | 8 | 9 | 26 | 90 | 36.4 | 42.9 | 17.5 | M12 |
| UCFC-208 | 40 | 145 | 120 | 84.8 | 11 | 36 | 14 | 10 | 9 | 26 | 100 | 41.2 | 49.2 | 19 | M12 |
| UCFC-209 | 45 | 160 | 132 | 93.3 | 10 | 38 | 16 | 12 | 14 | 26 | 105 | 40.2 | 49.2 | 19 | M14 |
聯絡我們
