
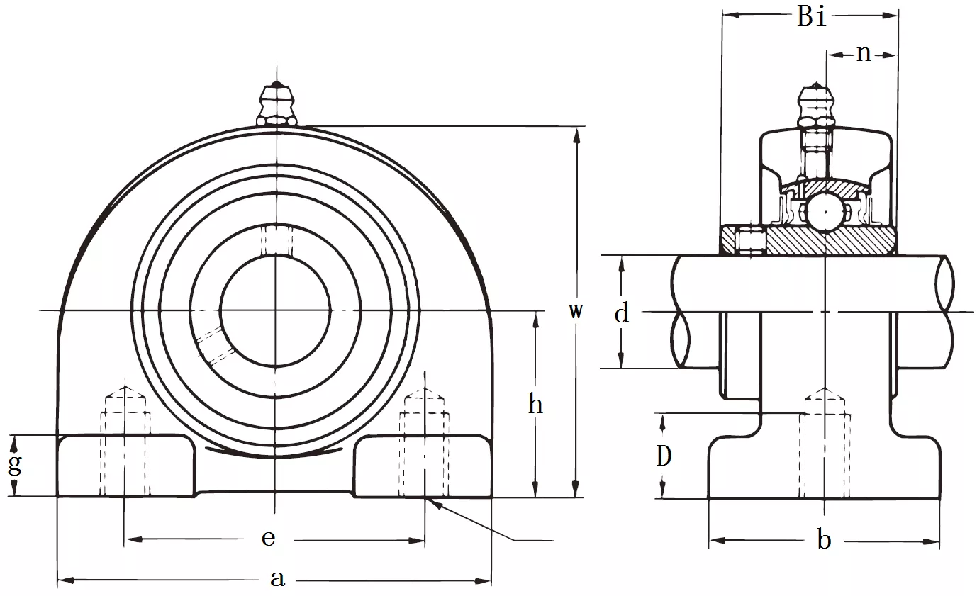
左右滑動看表格| 型號 | 主要規格 | 重點尺寸 | ||||||||||
| 軸心直徑 | h | a | e | b | s | g | w | D | Bi | n | 螺絲尺寸 | |
| UCPA-201 | 12 | 30.2 | 76 | 52 | 38 | 10 | 11 | 62 | 12 | 31 | 12.7 | M10 |
| UCPA-202 | 15 | 30.2 | 76 | 52 | 38 | 10 | 11 | 62 | 12 | 31 | 12.7 | M10 |
| UCPA-203 | 17 | 30.2 | 76 | 52 | 38 | 10 | 11 | 62 | 12 | 31 | 12.7 | M10 |
| UCPA-204 | 20 | 30.2 | 76 | 52 | 38 | 10 | 11 | 62 | 12 | 31 | 12.7 | M10 |
| UCPA-205 | 25 | 36.5 | 84 | 56 | 38 | 10 | 12 | 72 | 15 | 34 | 14.3 | M10 |
| UCPA-206 | 30 | 42.9 | 94 | 66 | 48 | 14 | 12 | 84 | 18 | 38.1 | 15.9 | M14 |
| UCPA-207 | 35 | 47.6 | 110 | 80 | 48 | 14 | 13 | 95 | 20 | 42.9 | 17.5 | M14 |
| UCPA-208 | 40 | 49.2 | 116 | 84 | 54 | 14 | 13 | 100 | 20 | 49.2 | 19 | M14 |
| UCPA-209 | 45 | 54.2 | 120 | 90 | 54 | 14 | 13 | 108 | 25 | 49.2 | 19 | M14 |
| UCPA-210 | 50 | 57.2 | 130 | 94 | 60 | 16 | 14 | 116 | 25 | 51.6 | 19 | M16 |
聯絡我們
