左右滑動看表格|
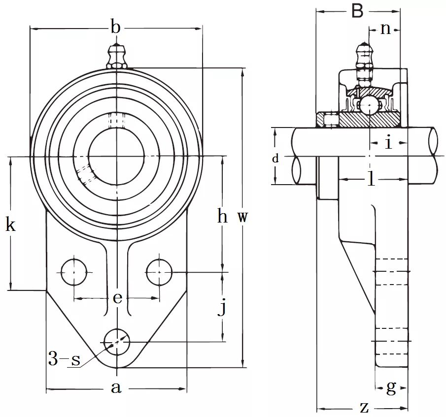
型號
|
主要規格 | 重點尺寸 | ||||||||||||||
| d | W | b | k | a | l | s | g | h | j | e | i | z | B | n | 螺絲尺寸 | |
| UCFK-201 | 12 | 110 | 62 | 52 | 52 | 25.5 | 10 | 13 | 42 | 27 | 32 | 15 | 33.3 | 31 | 12.7 | M8 |
| UCFK-202 | 15 | 110 | 62 | 52 | 52 | 25.5 | 10 | 13 | 42 | 27 | 32 | 15 | 33.3 | 31 | 12.7 | M8 |
| UCFK-203 | 17 | 110 | 62 | 52 | 52 | 25.5 | 10 | 13 | 42 | 27 | 32 | 15 | 33.3 | 31 | 12.7 | M8 |
| UCFK-204 | 20 | 110 | 62 | 52 | 52 | 25.5 | 10 | 13 | 42 | 27 | 32 | 15 | 33.3 | 31 | 12.7 | M8 |
| UCFK-205 | 25 | 116 | 68 | 52 | 56 | 27 | 10 | 13 | 45 | 27 | 34 | 16 | 35.8 | 34.1 | 14.3 | M8 |
| UCFK-206 | 30 | 130 | 78 | 55 | 65 | 31 | 10 | 13 | 50 | 29 | 40 | 18 | 40.2 | 38.1 | 15.9 | M8 |
| UCFK-207 | 35 | 144 | 90 | 62 | 70 | 34 | 10 | 15 | 55 | 32 | 46 | 19 | 44.4 | 42.9 | 17.5 | M8 |
| UCFK-208 | 40 | 164 | 100 | 72 | 78 | 36 | 12 | 16 | 60 | 41 | 50 | 21 | 51.2 | 49.2 | 19 | M10 |
| UCFK-209 | 45 | 174 | 106 | 76 | 80 | 38 | 12 | 18 | 65 | 43 | 54 | 22 | 52.2 | 49.2 | 19 | M10 |
| UCFK-210 | 50 | 184 | 112 | 82 | 86 | 40 | 12 | 18 | 68 | 46 | 58 | 22 | 54.6 | 51.6 | 19 | M10 |
聯絡我們
