E-BIKE Free Wheel Clutches
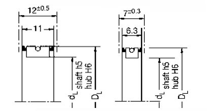
• Must be installed with race or bearings, to support axial and radial loads
| 尺寸 (mm) | 尺寸(inch) | FE 400 Z | FE 400 Z2 | 空轉容許轉速 | ||||||
| 規格編號 | 扭力 | 規格編號 | 扭力 | |||||||
| d | D | d | D | ftlb | Nm | ftlb | Nm | RPM | ||
| 2 | 10 | .0787 | .3937 | - | - | - | FE 410 Z2 | 0.2 | 0.3 | 10000 |
| 4 | 12 | .1575 | .4724 | FE 412 Z | 2.2 | 3 | FE 412 Z2 | 1.3 | 1.8 | 10000 |
| 5 | 13 | .1969 | .5118 | - | - | - | FE 413 Z2 | 2.1 | 2.9 | 9000 |
| 6 | 14 | .2362 | .5512 | FE 414 Z | 5 | 7 | FE 414 Z2 | 1.9 | 2.6 | 8500 |
| 8 | 16 | .3150 | .6299 | FE 416 Z | 9 | 12 | FE 416 Z2 | 5.6 | 7.6 | 7500 |
| 14 | 22 | .5512 | .8661 | FE 422 Z | 32 | 44 | FE 422 Z2 | 16 | 21 | 5300 |
| 15 | 23 | .5906 | .9055 | FE 423 Z | 36 | 48 | FE 423 Z2 | 18 | 24 | 5200 |
| 17 | 25 | .6693 | .9843 | FE 425 Z | 43 | 58 | FE 425 Z2 | 22 | 30 | 4700 |
| 19 | 27 | .7480 | 1.0630 | FE 427 Z | 49 | 66 | FE 427 Z2 | 27 | 36 | 4400 |
| 20 | 28 | .7874 | 1.1024 | FE 428 Z | 55 | 75 | FE 428 Z2 | 29 | 39 | 4200 |
| 22 | 30 | .8661 | 1.1811 | FE 430 Z | 64 | 87 | FE 430 Z2 | 34 | 46 | 4000 |
| 24 | 32 | .9449 | 1.2598 | FE 432 Z | 71 | 97 | FE 432 Z2 | 39 | 52 | 3700 |
| 25 | 33 | .9843 | 1.2992 | FE 433 Z | 79 | 107 | FE 433 Z2 | 41 | 56 | 3600 |
| 27 | 35 | 1.0630 | 1.3780 | FE 435 Z | 90 | 121 | FE 435 Z2 | 47 | 64 | 3400 |
| 29 | 37 | 1.1417 | 1.4567 | FE 437 Z | 101 | 137 | FE 437 Z2 | 53 | 71 | 3200 |
| 30 | 38 | 1.1811 | 1.4960 | FE 438 Z | 106 | 144 | FE 438 Z2 | 56 | 76 | 3100 |
| 34 | 42 | 1.3386 | 1.6535 | FE 442 Z | 131 | 178 | FE 442 Z2 | 69 | 93 | 2800 |
| 35 | 43 | 1.3780 | 1.6929 | FE 443 Z | 138 | 187 | FE 443 Z2 | 72 | 98 | 2700 |
| 40 | 48 | 1.5748 | 1.8898 | FE 448 Z | 173 | 235 | FE 448 Z2 | 90 | 122 | 2500 |
| 45 | 53 | 1.7717 | 2.0866 | FE 453 Z | 207 | 381 | FE 453 Z2 | 108 | 146 | 2200 |
| 50 | 58 | 1.9685 | 2.2835 | FE 458 Z | 254 | 345 | FE 458 Z2 | 131 | 178 | 2000 |
| 51 | 59 | - | - | FE 459 Z | 263 | 357 | - | - | - | - |
| 55 | 63 | 2.1654 | 2.4803 | FE 463 Z | 300 | 407 | FE 463 Z2 | 149 | 202 | 1900 |
| 60 | 68 | 2.3622 | 2.6772 | FE 468 Z | 349 | 474 | FE 468 Z2 | 179 | 243 | 1750 |
| 62 | 70 | 2.4409 | 2.7559 | FE 470 Z | 370 | 502 | - | - | - | 1700 |
| 65 | 73 | 2.5590 | 2.8740 | FE 473 Z | 402 | 545 | - | - | - | 1600 |
| 70 | 78 | 2.7559 | 3.0709 | FE 478 Z | 458 | 622 | - | - | - | 1500 |
| 80 | 88 | 3.1496 | 3.4646 | FE 488 Z | 581 | 788 | - | - | - | 1300 |
Sprag type freewheel clutch
• Compose with sprags, cage, and springs
• Must be installed with race or bearings, to support axial and radial loads
• Must be installed with race or bearings, to support axial and radial loads
| 尺寸 (mm) | 尺寸(inch) | FE 400 Z | FE 400 Z2 | 空轉容許轉速 | ||||||
| 規格編號 | 扭力 | 規格編號 | 扭力 | |||||||
| d | D | d | D | ftlb | Nm | ftlb | Nm | RPM | ||
| 2 | 10 | .0787 | .3937 | - | - | - | FE 410 Z2 | 0.2 | 0.3 | 10000 |
| 4 | 12 | .1575 | .4724 | FE 412 Z | 2.2 | 3 | FE 412 Z2 | 1.3 | 1.8 | 10000 |
| 5 | 13 | .1969 | .5118 | - | - | - | FE 413 Z2 | 2.1 | 2.9 | 9000 |
| 6 | 14 | .2362 | .5512 | FE 414 Z | 5 | 7 | FE 414 Z2 | 1.9 | 2.6 | 8500 |
| 8 | 16 | .3150 | .6299 | FE 416 Z | 9 | 12 | FE 416 Z2 | 5.6 | 7.6 | 7500 |
| 14 | 22 | .5512 | .8661 | FE 422 Z | 32 | 44 | FE 422 Z2 | 16 | 21 | 5300 |
| 15 | 23 | .5906 | .9055 | FE 423 Z | 36 | 48 | FE 423 Z2 | 18 | 24 | 5200 |
| 17 | 25 | .6693 | .9843 | FE 425 Z | 43 | 58 | FE 425 Z2 | 22 | 30 | 4700 |
| 19 | 27 | .7480 | 1.0630 | FE 427 Z | 49 | 66 | FE 427 Z2 | 27 | 36 | 4400 |
| 20 | 28 | .7874 | 1.1024 | FE 428 Z | 55 | 75 | FE 428 Z2 | 29 | 39 | 4200 |
| 22 | 30 | .8661 | 1.1811 | FE 430 Z | 64 | 87 | FE 430 Z2 | 34 | 46 | 4000 |
| 24 | 32 | .9449 | 1.2598 | FE 432 Z | 71 | 97 | FE 432 Z2 | 39 | 52 | 3700 |
| 25 | 33 | .9843 | 1.2992 | FE 433 Z | 79 | 107 | FE 433 Z2 | 41 | 56 | 3600 |
| 27 | 35 | 1.0630 | 1.3780 | FE 435 Z | 90 | 121 | FE 435 Z2 | 47 | 64 | 3400 |
| 29 | 37 | 1.1417 | 1.4567 | FE 437 Z | 101 | 137 | FE 437 Z2 | 53 | 71 | 3200 |
| 30 | 38 | 1.1811 | 1.4960 | FE 438 Z | 106 | 144 | FE 438 Z2 | 56 | 76 | 3100 |
| 34 | 42 | 1.3386 | 1.6535 | FE 442 Z | 131 | 178 | FE 442 Z2 | 69 | 93 | 2800 |
| 35 | 43 | 1.3780 | 1.6929 | FE 443 Z | 138 | 187 | FE 443 Z2 | 72 | 98 | 2700 |
| 40 | 48 | 1.5748 | 1.8898 | FE 448 Z | 173 | 235 | FE 448 Z2 | 90 | 122 | 2500 |
| 45 | 53 | 1.7717 | 2.0866 | FE 453 Z | 207 | 381 | FE 453 Z2 | 108 | 146 | 2200 |
| 50 | 58 | 1.9685 | 2.2835 | FE 458 Z | 254 | 345 | FE 458 Z2 | 131 | 178 | 2000 |
| 51 | 59 | - | - | FE 459 Z | 263 | 357 | - | - | - | - |
| 55 | 63 | 2.1654 | 2.4803 | FE 463 Z | 300 | 407 | FE 463 Z2 | 149 | 202 | 1900 |
| 60 | 68 | 2.3622 | 2.6772 | FE 468 Z | 349 | 474 | FE 468 Z2 | 179 | 243 | 1750 |
| 62 | 70 | 2.4409 | 2.7559 | FE 470 Z | 370 | 502 | - | - | - | 1700 |
| 65 | 73 | 2.5590 | 2.8740 | FE 473 Z | 402 | 545 | - | - | - | 1600 |
| 70 | 78 | 2.7559 | 3.0709 | FE 478 Z | 458 | 622 | - | - | - | 1500 |
| 80 | 88 | 3.1496 | 3.4646 | FE 488 Z | 581 | 788 | - | - | - | 1300 |
CONTACT US
